近日,全国各地2026年2月电网企业代理购电价格陆续公布。以下为2026年2月各地电网企业代理购电价格表,顺序依次为:江苏、浙江、安徽、山东、山西、北京、河北南网、冀北、河南、上海、重庆、四川、黑龙江、吉林、辽宁、蒙东、蒙西、江西、湖北、湖南、青海、宁夏、陕西、天津、甘肃、新疆、广东、深圳、广西、海南、贵州、云南、福建。
在已公布2月电价的32个地区中,31个地区的系统运行费中明确了系统运行费折合度电水平,均价为0.0836元/kWh。其中海南最高,达到0.137592元/kWh;北京最低,为0.015724元/kWh。具体如下:

江苏

浙江

安徽


山东

山西

北京

河北南网

冀北

河南

上海

重庆


四川

黑龙江


吉林

辽宁


蒙东

蒙西


江西


湖北

湖南

青海

宁夏


陕西

天津

甘肃

新疆

广东






广东-深圳



广西



海南


贵州




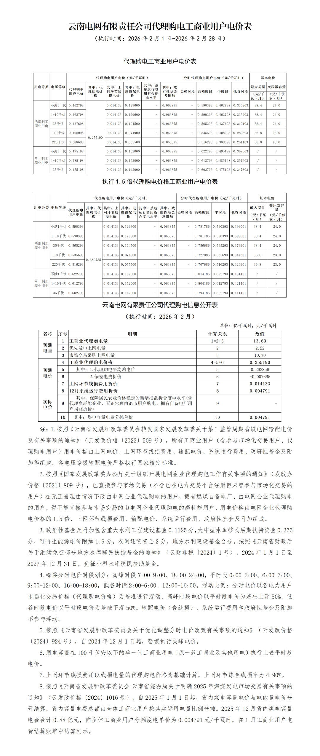
云南

福建

